Новости индустрии
- Россия запускает первую в стране солнечную электростанцию с трекерной системой слежения за Солнцем
- Форум «Микроэлектроника 2024» соберет более 3 тысяч гостей
- Новая LED-лента COB 24 В от IEK: инновационное освещение для современных интерьеров!
- Daccord — бренд, заменивший Legrand в России
- Яндекс: хотя бы 2 раза в год онлайн покупки совершают 60% россиян
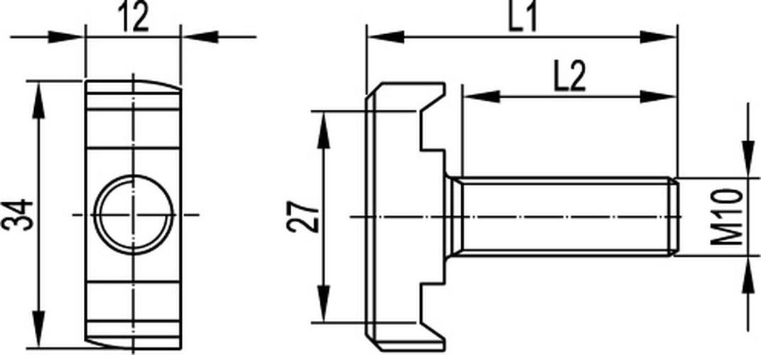
Винт для крепления профиля DB/LAS М10х30 (уп.50шт) DKC CM041030
Характеристики «DKC CM041030»
Производитель:
Артикул производителя:
CM041030
Штрихкод:
4607131593058
Высота:
7.4
Ширина:
13.3
Длина:
14.1
Вес:
2.153
Единица измерения в упаковке:
шт
Единица измерения:
упак
Кол-во в упаковке:
50 шт
ТН ВЭД:
7318159008
Материал:
Сталь
Защитное покрытие поверхности:
Горячее цинкование
Метрический размер резьбы:
10
Подходит для монтажной рейки, шины:
Да
Ширина головки:
34
Винт для крепления к С-образным профилям М10х30 применяется для монтажа консолей к различным профилям С-образной формы.
Предложения магазинов в Новосибирске
Вы недавно смотрели:
